电源部分--LDO的效率与什么有关
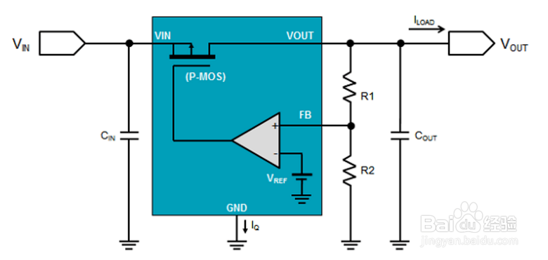
1、LDO全程是Low Dropout regulator低压差线性稳压器,工作原理是一个工作在线性区的晶体管或者MOSFET,如图,由两个电阻构成的分压,经过放大器放大后,与VREF进行对比,实现对VOUT的调整。以下是LDO几个重要的参数:

2、Vdropout :是指输入电压进一步下降而造成LDO不能再进行调节时,输入与输出电压差值。2、裕量电压:指 LDO 满足其规格所需的输入至输出电压差。
3、效率:LDO的效率由接地电流和输入输出电压确定:若需获得较高的效率,必须最大程度地降低裕量电压和接地电流。 此外,还必须最大程度地缩小输入和输出之间的电压差。输入至 输出电压差是确定效率的内在因素,与负载条件无关。例如,采用 5 V 电源供电时,3.3 V LDO 的效率从不会超过 66%,但当输入电压降至 3.6 V 时,其效率将增加到最高 91.7%。LDO 的功耗 为(VIN – VOUT) × IOUT。
